6/25/2020
In the newest versions of IP100-series products with the latest Celeron J1900 motherboards, a BIOS issue has been found. For BIOS version A15 (and presumably later), if there is no monitor plugged into the rear, the frame will not boot up, or sometimes will boot up from a cold start (or power cycle), but not when restarted from Windows. So far, this has only been found to be an issue with frames loaded with Windows 10 IoT, and seems to be related to the BIOS settings differernces between Windows 10 and Windows 7 support. There are two common work-arounds for this issue:
Each of these approaches is described below. The bottom line is that the BIOS expects/needs a display of one kind or the other to function.
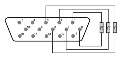
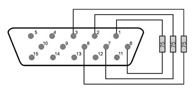
One can either make or buy this type of plug. If making your own, following the diagram shown below, where each of the gray rectangles is a 75 Ohm resistor.

One can also purchase these for a few bucks each. Search a shopping website with the term "VGA Emulator" to find some examples. The picture below shows one such example.

The other approach is to tell BIOS that it has a LVDS type display. This is done as follows:




